1. AT89S52 单片机任何一个端口要想获得较大的驱动能力,要采用 电平输出。
答:低
2.检测开关处于闭合状态还是打开状态,只需把开关一端接到 I/O 端口的引脚上,另一端接地,然后通过检测 来实现。
答: I/O 端口引脚的电平
3. “8”字型的 LED 数码管如果不包括小数点段共计 段,每一段对应一个发光二
极管,有 和 两种。
答:7,共阳极,共阴极
4. 对于共阴极带有小数点段的数码管,显示字符“6”(a 段对应段码的最低位)的段码为
,对于共阳极带有小数点段的数码管,显示字符“3”的段码为 。
答:7DH,B0H
5. 已知8段共阳极LED数码显示器要显示某字符的段码为A1H(a段为最低位),此时显示器显示的字符为 。
答:d
6. LED 数码管静态显示方式的优点是:显示 闪烁,亮度 , 比
较容易,但是占用的 线较多。
答:无,较高,软件控制,I/O 口
7. 当显示的 LED 数码管位数较多时,一般采用 显示方式,这样可以降
低 ,
减少 的数目。
答:动态,成本,I/O 端口
8. LCD 1602 是 型液晶显示模块,在其显示字符时,只需将待显示字符的
由单片机写入 LCD 1602 的显示数据 RAM(DDRAM),内部控制电路就可将字符在 LCD 上显示出来。
答:字符,ASCII 码
9. LCD 1602 显示模块内除有 字节的 RAM 外,还有 字节的自定
义 ,用户可自行定义 个 5×7 点阵字符。
答:80,显示数据,64,字符 RAM,8
10.当按键数目少于8个时,应采用 式键盘。当按键数目为64个时,应采用
式键盘。
答:独立,矩阵
11.使用并行接口方式连接键盘,对独立式键盘而言,8根I/O口线可以接 个按键,
而对矩阵式键盘而言,8根I/O口线最多可以接 个按键。
答:8,64
12.LCD 1602 显示一个字符的操作过程为:首先 ,然后 ,随
后 ,最后 。
答:读忙标志位BF,写命令,写显示字符,自动显示字符
13.由于微型打印机 TPμP-40A/16A 是一种 外设,因此单片机与微型打印机的的
命令与数据传送,必须采用 方式。应答信号 可与 信号作为一对
应答联络信号,也可使用 和 作为一对应答联络信号。
![]()
![]()
![]()
答:慢速, ACK , STB , STB ,BUSY二、判断对错
1.P0 口作为总线端口使用时,它是一个双向口。对
2.P0 口作为通用 I/O 端口使用时,外部引脚必须接上拉电阻,因此它是一个准双向口。对
3.P1~P3 口作为输入端口用时,必须先向端口寄存器写入 1。对
4.P0~P3 口的驱动能力是相同的。错
5.当显示的 LED 数码管位数较多时,动态显示所占用的 I/O 口多,为节省 I/O 口与驱动电路的数目,常采用静态扫描显示方式。错
6.LED 数码管动态扫描显示电路只要控制好每位数码管点亮显示的时间,就可造成“多位同时亮”的假象,达到多位 LED 数码管同时显示的效果。错
7.使用专用的键盘/显示器芯片, 可由芯片内部硬件扫描电路自动完成显示数据的扫描刷新,和键盘扫描。对
8.控制 LED 点阵显示器的显示,实质上就是控制加到行线和列线上的电平编码来控制点亮某些发光二极管(点),从而显示出由不同发光的点组成的各种字符。对
9.16×16 点阵显示屏是由 4 个 4×4 的 LED 点阵显示器组成。错
10.LCD 1602 液晶显示模块,可显示 2 行,每行 16 个字符。对
11.HD7279 是可自动获取按下键盘按键的键号以及自动对 LED 数码管进行动态扫描显示用于键盘/LED 数码管的专用接口芯片可,为并行接口芯片。错
12.LED 数码管的字型码是固定不变的。错
13.为给扫描法工作的 8×8 的非编码键盘提供接口电路,在接口电路中需要提供两个 8
位并行的输入口和一个 8 位并行的输出口。错
14.LED 数码管工作于动态显示方式时,同一时间只有一个数码管被点亮。
15.动态显示的数码管,任一时刻只有一个 LED 数码管处于点亮状态,是 LED 的余辉与人眼的“视觉暂留”造成数码管同时显示的“假象”。 对
16.在微型打印机之所以称其为“智能”微型打印机,是其内部带有控制打印的单片机固化有控打程序。对
1.分别写出表 7-1 中共阴极和共阳极 LED 数码管仅显示小数点“.”的段码。答: 80H(共阴极);7FH(共阳极)。
2.LED 的静态显示方式与动态显示方式有何区别各有什么优缺点
答:静态显示时,欲显示的数据是分开送到每一位 LED 上的。而动态显示则是数据是同时送到每一个 LED 上,再根据位选线来确定是哪一位 LED 被显示。静态显示亮度很高,但口线占用较多。动态显示口线占用较少,但是需要编程进行动态扫描,适合用在显示位数较多的场合。
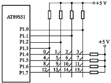
3.对下图所示的键盘,采用线反转法原理编写出识别某一按键被按下并得到其键号的程序。

答:先对 P1 口高四位送低电平,读取 P1 口低四位的值;再对 P1 口低四位送低电平,读取 P1 口高四位的值,将两次读到的值组合在一起就得到了按键的特征码,再根据特征码
查找键值。 | ||
KEYIN: ;反转读键 | MOV | P1,#0FH |
MOV | A,P1 | |
ANL | A,#0FH | |
MOV | B,A | |
MOV | P1,#0F0H | ||
MOV | A,P1 | ||
ANL | A,#0F0H | ||
ORL | A,B | ||
CJNE | A,#0FFH,KEYIN1 | ||
RET | |||
;未按键 | |||
KEYIN1: ;暂存特征码 | MOV | B,A | |
MOV | DPTR,#KEYCOD | ;指向 | |
特征码表 | |||
MOV | R3,#0FFH | ;顺序 | |
码初始化 | |||
KEYIN2: | INC | R3 | |
MOV | A,R3 | ||
MOVC | A,@A+DPTR | ||
CJNE | A,B,KEYIN3 |
MOV A,R3 ;找
到,取顺序码
RET
KEYIN3: CJNE A,#0FFH,KEYIN2 ;未完,再查
RET
;已查完,未找到,以未按键处理
KEYCOD: 码表 | DB | 0E7H,0EBH,0EDH,0EEH ;特征 |
DB | 0D7H,0DBH,0DDH,0DEH | |
DB | 0B7H,0BBH,0BDH,0BEH | |
DB | 77H,7BH,7DH,7EH |
4. 非编码键盘分为独立式键盘和矩阵式键盘,什么场合用?
答:独立式键盘是一键一线,按键数目较少时使用,矩阵式键盘适于键盘数目较多的场合。
5. 使用专用键盘/显示器接口芯片 HD7279 方案实现的键盘/显示器接口的优点是什么?
答:使用专用接口芯片 HD7279 实现的键盘/显示器接口设计,优点是按键按下后,可直接得到键号,另外,可控制处理的键盘按键以及 LED 数码管的数目较多,对键盘/显示器的扫描是由 HD7279 的内部电路自动完成。